拼搏官方网站 MAU300 手排挡力传感器
类型:通用型
型号:MAU300
行业:雪鞋测试、电阻点焊、软管膨胀压力测量
型号:MAU300
行业:雪鞋测试、电阻点焊、软管膨胀压力测量




| 量程 | 44.5, 445, 890 N |
| 非线性 | ±0.25% of RO |
| 不可重复性 | ±0.25% of RO |
| 额定输出 | 2 mV/V |
| 激励 | 20 |
| 桥路电阻 | 350 Ohm nom |
| 绝缘电阻 | ≥500 MOhm @ 50 VDC |
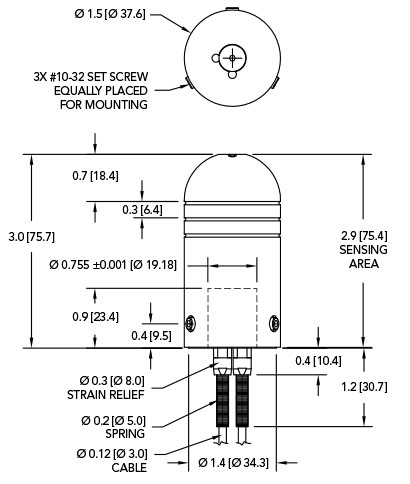
| 电缆 | #28 AWG,4芯编织屏蔽PVC电缆3米长 |
| 重量 | 255 g |
| 过载保护 | 150% of RO |
| 材质 | 铝合金 |
| 防护等级 | IP40 |
| 操作温度 | -40 to +72 ℃ |




电话020-85262155
邮箱sales@omgl.com.cn